1653nm 40mW DFB Laser Diode Para sa Methane Sensor CH4 Sensing ay gumagamit ng planar construction na may chip sa subcarrier. Ang high power chip ay hermetically sealed sa isang epoxy-free at flux-free na 14-pin butterfly package at nilagyan ng thermistor, thermoelectric cooler, at monitor diode upang ma-secure ang mataas na kalidad ng laser performance. Ang aming mga produkto ng laser ay Telcordia GR-468 na kwalipikado, at sumusunod sa mga direktiba ng RoHS.
1653nm 40mW DFB Laser Diode Para sa Methane Sensor CH4 Sensing ay gumagamit ng planar construction na may chip sa subcarrier. Ang high power chip ay hermetically sealed sa isang epoxy-free at flux-free na 14-pin butterfly package at nilagyan ng thermistor, thermoelectric cooler, at monitor diode upang ma-secure ang mataas na kalidad ng laser performance. Ang aming mga produkto ng laser ay Telcordia GR-468 na kwalipikado, at sumusunod sa mga direktiba ng RoHS.
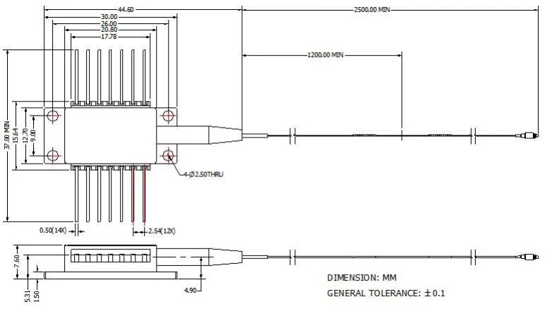
14-pin na pakete ng butterfly na pamantayan sa industriya;
Built-in na TEC at optical isolator;
High-performance, multiquantum well (MQW) distributed-feedback (DFB) laser.
Pagsubok sa produksyon ng mga passive na bahagi para sa pagtuklas ng gas;
Fiber gas detection system;
Mga mapagkukunan ng laser.
| Parameter | Simbolo | Kundisyon | Min. | Typ. | Max. | Yunit |
| Sa gitna ng wavelength | λc | TL=15~35℃ CW | 1652.7 | 1653.7 | 1654.7 | nm |
| Optical output kapangyarihan | Po | CW | - | 40 | - | mW |
| LD Threshold kasalukuyang | ITH | CW | - | 15 | 40 | mA |
| LD Pasulong na kasalukuyang | Kung | Pf =Na-rate na Kapangyarihan | - | 300 | 400 | mA |
| Optical na paghihiwalay | - | -10 < TC < +70 ℃ | 30 | - | - | dB |
| Side-mode suppression ratio | SMSR | CW | 35 | 40 | - | dB |
| Subaybayan ang pagiging responsable | Ako /Pf | - | - | 1 | 20 | uA/mW |
| Subaybayan ang katatagan ng pagiging responsable | - | - | - | - | 20% | - |
| Subaybayan ang madilim na kasalukuyang | Id | VPD =5V | - | - | 50 | nA |
| Kasalukuyang TEC | ITEC | Tcase =75℃ | - | - | 2 | A |
| TEC Boltahe | VTEC | Tcase =75℃ | - | - | 3.5 | V |
| Pagkonsumo ng kuryente ng TEC | P | Tstg =25℃ | - | - | 5 | W |
| Paglaban sa Thermistor | Rth | Tcase =75℃ | 9.5 | 10 | 10.5 | Kohm |
| Thermistor B pare-pareho | Bth | Tstg =25℃ | - | 3900 | - | K |
| wavelength drift (EOL) | △λ | Nasubok sa loob ng 25 taong buhay | - | - | ±0.1 | nm |
| Kaway. Koepisyent ng temperatura | Δλ/ΔT | TEC temperatura sa 15 ℃ hanggang 35 ℃ | - | 0.09 | - | nm/℃ |
| Haba ng daluyong Kasalukuyang koepisyent | Δλ/ΔΙ | - | - | 0.01 | - | nm/mA |

Lahat ng mga produkto ay nasubok bago ipadala;
Ang lahat ng mga produkto ay may 1-3 taon na warranty. (Pagkatapos ng panahon ng garantiya ng kalidad ay nagsimulang singilin ang naaangkop na bayad sa serbisyo sa pagpapanatili.)
Pinahahalagahan namin ang iyong negosyo at nag-aalok kami ng agarang 7 araw na patakaran sa pagbabalik. (7 araw pagkatapos matanggap ang mga item);
Kung ang mga item na binili mo mula sa aming tindahan ay hindi perpektong kalidad, ibig sabihin, hindi ito gumagana nang elektroniko sa mga detalye ng mga tagagawa, ibalik lamang ang mga ito sa amin para sa pagpapalit o refund;
Kung ang mga item ay may depekto, mangyaring abisuhan kami sa loob ng 3 araw ng paghahatid;
Anumang mga item ay dapat ibalik sa kanilang orihinal na kondisyon upang maging kwalipikado para sa isang refund o kapalit;
Ang mamimili ay may pananagutan para sa lahat ng gastos sa pagpapadala na natamo.
Q: Ano ang katumpakan ng wavelength?
A: +/-0.5nm.
Q: Mayroon ka bang ibang mga bersyon ng output power?
A: 10mW, 15mW, 50mW.
1512nm 10mW DFB 14PIN Butterfly Laser Para sa NH3 Sensing
1392nm DFB Butterfly Laser Diode Para sa Moisture H2O Sensing
1653nm DFB Butterfly Laser Diode Para sa CH4 Detection
1567nm DFB Butterfly Laser Diode Para sa CO Sensing
1578nm 10mW DFB Laser Diode Para sa Hydrogen Sulfide Detection
1580nm DFB Butterfly Laser Diode Para sa CO2 DetectionCopyright @ 2020 Shenzhen Box Optronics Technology Co., Ltd. - China Fiber Optic Modules, Fiber Coupled Lasers Manufacturers, Laser Components Supplier All Rights Reserved.