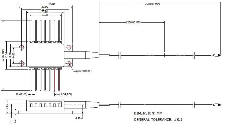
Ang Mataas na Kapangyarihan 1653.7NM Laser Module ay gumagamit ng isang planar na konstruksyon na may chip sa subcarrier. Ang mataas Ang power chip ay hermetically selyadong sa isang epoxy-free at flux-free 14-pin butterfly package at nilagyan ng a thermistor, thermoelectric cooler, at subaybayan ang diode upang ma -secure ang mataas na kalidad ng pagganap ng laser. 1653NM 40MW BTF laser diode para sa pagtuklas ng methane gas ay kwalipikado ang Telcordia GR-468, at kasunod ng mga direktiba ng ROHS.
Ang Mataas na Kapangyarihan 1653.7NM Laser Module ay gumagamit ng isang planar na konstruksyon na may chip sa subcarrier. Ang mataas na power chip ay hermetically sealed sa isang epoxy-free at flux-free 14-pin butterfly package at nilagyan ng isang thermistor, thermoelectric cooler, at subaybayan ang diode upang ma-secure ang mataas na kalidad na pagganap ng laser. Ang aming mga produktong laser ay kwalipikado ang Telcordia GR-468, at sa pagsunod sa mga direktiba ng ROHS.
● Standard na 14-pin Butterfly Package;
● built-in na TEC at optical isolator;
● Mataas na pagganap, multiquantum well (MQW) na ipinamamahagi-feedback (DFB) laser.
● Pagsubok sa Produksyon ng mga passive na sangkap para sa pagtuklas ng gas;
● Fiber Gas Detection System;
● Mga mapagkukunan ng laser.
| Parameter | Simbolo | Kundisyon | Min. | Typ. | Max. | Unit |
| Haba ng haba ng sentro | LC | Tl = 15 ~ 35 ℃ Qu | 1652.7 | 1653.7 | 1654.7 | nm |
| Optical output power | Pagkatapos | CW | - | 40 | - | MW |
| LD threshold kasalukuyang | Ith | CW | - | 15 | 40 | Ma |
| Ld forward kasalukuyang | Kung | PF = na -rate na kapangyarihan | - | 300 | 400 | Ma |
| Optical na paghihiwalay | - | -10 |
30
|
-
|
-
|
DB |
|
| Ratio ng pagsugpo sa side-mode | SMSR | CW | 35 | 40 | - | DB |
| Subaybayan ang responsibilidad | Pagbabakuna | - | - | 1 | 20 | ay / mw |
| Subaybayan ang katatagan ng responsibilidad | - | - | - | - | 20% | - |
| Subaybayan ang madilim na kasalukuyang | ID | VPD = 5V | - | - | 50 | nA |
| Kasalukuyang TEC | ITEC | TCASE = 75 ℃ | - | - | 2 | A |
| Boltahe ng TEC | Vtec | TCASE = 75 ℃ | - | - | 3.5 | V |
| Ang pagkonsumo ng kapangyarihan ng TEC | P | TSTG = 25 ℃ | - | - | 5 | W |
| Thermistor Resistance | Rth | TCASE = 75 ℃ | 9.5 | 10 | 10.5 | Kohm |
| Thermistor B pare -pareho | Bth | TSTG = 25 ℃ | - | 3900 | - | K |
| Wavelength Drift (EOL) | △ λ | Nasubok sa loob ng 25-taong buhay | - | - | ± 0.1 | nm |
| Alon. Koepisyent ng temperatura | DL/DT | Ang temperatura ng TEC sa 15 ℃ hanggang 35 ℃ | - | 0.09 | - | nm/℃ |
| Wavelength Kasalukuyang koepisyent | DL/DI | - | - | 0.01 | - | Nm / in |

Ang lahat ng mga produkto ay nasubok bago maipadala;
Ang lahat ng mga produkto ay may 1 taon na warranty. (Matapos magsimulang singilin ang kalidad ng garantiya ng kalidad.)
Pinahahalagahan namin ang iyong negosyo at nag -aalok ng isang instant 7 araw na patakaran sa pagbabalik. (7 araw pagkatapos matanggap ang mga item);
Kung ang mga item na binili mo mula sa aming tindahan ay hindi perpekto na kalidad, iyon ay hindi sila gumana nang elektroniko sa mga pagtutukoy ng mga tagagawa, ibalik lamang ito sa amin para sa kapalit o pag -refund;
Kung ang mga item ay may depekto, mangyaring ipagbigay -alam sa amin sa loob ng 3 araw ng paghahatid;
Ang anumang mga item ay dapat ibalik sa kanilang orihinal na kondisyon upang maging kwalipikado para sa isang refund o kapalit;
Ang mamimili ay may pananagutan para sa lahat ng gastos sa pagpapadala na natamo.
T: Ano ang kawastuhan ng haba ng haba?
A: +/- 0.5nm.
Q: Mayroon ka bang iba pang mga bersyon ng kapangyarihan ng output?
A: 10MW, 15MW, 50MW.
C-band Narrow Linewidth Integrated Tunable Laser Assembly ITLA
1550nm 40mW 200Khz Narrow Linewidth DFB Butterfly Laser Diode
1550nm 40mW 600Khz DFB Butterfly Package Narrow Linewidth Laser Diode
1550nm 50mW 100Khz Narrow Linewidth DFB Butterfly Laser Diode
1550nm 2mW 5mW Narrow Linewidth Coaxial Laser Diode
1550nm 100mw 100kHz makitid na linewidth dfb laser diode btf na may sm/pm fiberCopyright @ 2020 Shenzhen Box Optronics Technology Co, Ltd. - China Fiber Optic Modules, Fiber Coupled Lasers Tagagawa, Laser Components Supplier All Rights Reserved.